365英国上市公司

产品中心
Heidenhain海德汉CERTO 增量式长度计CT2500/CT6000
来源:365英国上市公司  发布时间:2022-06-09 11:20:27   点击次数:0

海德汉CERTO

增量式长度计I,精度± 0.1 μm/± 0.051) μm*/± 0.03 μm1)

• 超高精度

• 用于检测测量设备和量块

• 密珠导轨的测量杆

CT 2500

image 

 

image 

 

image 

 

CT 6000

image 

技术参数

CT 2501

CT 6001

CT 2502

CT 6002

测量杆的驱动

电机

通过联结器连接机床运动部件

测量基准

Zerodur玻璃陶瓷基体的DIADUR相位光栅;栅距4 μm

系统精度

± 0.1 μm,

± 0.1 μm,

± 0.1 μm,

± 0.1 μm,

19°C至21°C时

± 0.03 μm1)

± 0.05 μm1)

± 0.03 μm1)

± 0.05 μm1)

单信号周期位置误差

≤  ± 0.02 μm

参考点

一个,在上止点下方约1.7 mm处

测量范围

25 mm

60 mm

25 mm

60 mm

测量力
垂直向下
垂直向上
水平

电机
1 N/1.25 N/1.75 N
– /– /0.75 N
– /0.75 N/1.25 N

运动力2)
0.6 N
0.1 N
0.6 N

径向力

≤  0.5 N(机械允许)

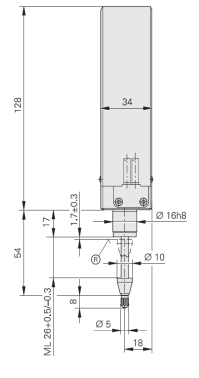
固定

装夹杆φ16h8

平面

装夹杆φ16h8

平面

工作姿态

按需(有关优选的工作姿态,参见安装)

振动 55至2 000 Hz
冲击 11 ms

≤ 100 m/s2 (EN 60 068-2-6)
≤ 1 000 m/s2 (EN 60 068-2-27)

工作温度

10 °C至40 °C;标准温度20 °C

防护等级EN 60 529

IP 50

重量不带电缆

520 g

700 g

480 g

640 g

电气参数

CT 2501

CT 6001

CT 2502

CT 6002

接口

~11 μAPP

信号周期

2 μm

测量速度

 ≤24 m/min(取决于后续电子电路)
≤12 m/min,用ND 28x数显装置

电气连接*

• 电缆长度1.5 m带D-sub接头(针式),15针
• 电缆长度1.5 m带M23接头(针式),9针
接口电子设备在接头中

电缆长度

≤30 m

电源

5 V DC ± 0.25 V/< 180>

5 V DC ± 0.25 V/< 120>

 

所需辅件*

用于CT 2501

用于CT 6001

开关盒

SG 25 M

SG 60 M

 

 

请订购时选择

1) 在信号处理电子电路中进行线性误差补偿后

2) 测量杆运动所需力大小或其重量大小



上一篇:Heidenhain海德汉长度计型号:MT60 MT2500
下一篇:Heidenhain海德汉ACANTO绝对式长度计AT1200/AT3000